|
|
 |
| 产品名称: |
其他管接头 |
|
|
| 产品型号: |
QT009
|
|
|
| 简要说明: |
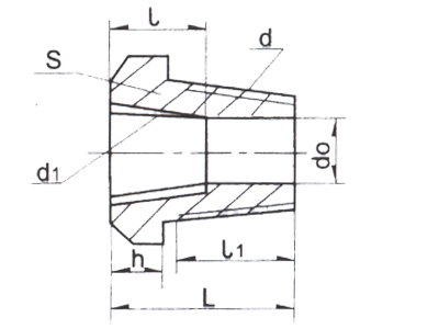
标记示例:要求螺纹d=Rc1/2,d1=Rc1/4的异径外接头:
异径外接头:Rc1/2Rc1/4,QT9
|
| |
|
|
|
 |
| 产品名称: |
其他管接头 |
|
|
| 产品型号: |
QT010
|
|
|
| 简要说明: |
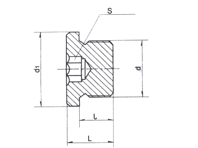
标记示例:要求螺纹d=R1/2,d1=Rc1/4的补心接头:
补心:R1/2Rc1/4,QT10
|
| |
|
|
|
 |
| 产品名称: |
其他管接头 |
|
|
| 产品型号: |
QT011
|
|
|
| 简要说明: |
标记示例:M18*1.5的外六角螺塞:
螺塞:M18*1.5,QT11.
|
| |
|
|
|
 |
| 产品名称: |
其他管接头 |
|
|
| 产品型号: |
QT012
|
|
|
| 简要说明: |
标记示例:M18*1.5的内六角螺塞:
螺塞:M18*1.5,QT12.
|
| |
|
|
|