|
|
 |
| 产品名称: |
其他管接头 |
|
|
| 产品型号: |
QT001
|
|
|
| 简要说明: |
标记示例:管子螺纹d=R1/2的等径外接头:
接头:R1/2,QT1.
|
| |
|
|
|
 |
| 产品名称: |
其他管接头 |
|
|
| 产品型号: |
QT002
|
|
|
| 简要说明: |
标记示例:管子螺纹d=R1/2的等径直角接头:
接头:R1/2,QT2.
|
| |
|
|
|
 |
| 产品名称: |
其他管接头 |
|
|
| 产品型号: |
QT003
|
|
|
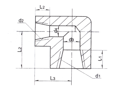
| 简要说明: |
标记示例:管子螺纹d=R1/2.d1=R1/4的异径直角接头:
接头:R1/2-R1/4,QT3
|
| |
|
|
|
 |
| 产品名称: |
其他管接头 |
|
|
| 产品型号: |
QT004
|
|
|
| 简要说明: |
标记示例:所需螺纹d=R1/2,所需长度L=45mm的等径内接头:
内接头:R1/2*45,QT4.
|
| |
|
|
|